Web Analytics Made Easy - Statcounter
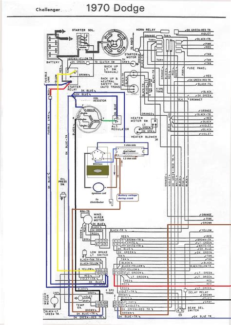
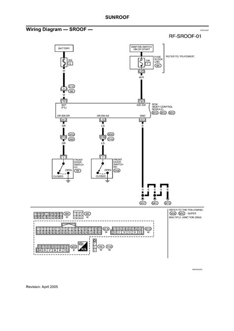
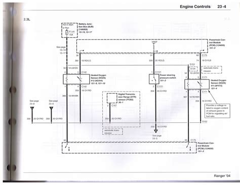
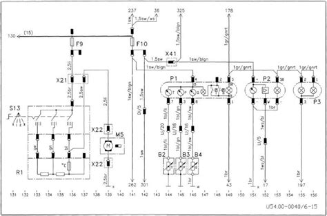
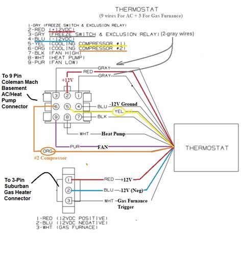
Vintage Ride: 1975 Harley Sportster Wiring Diagram!

Vintage Ride: 1975 Harley Sportster Wiring Diagram!

Vintage Ride: 1975 Harley Sportster Wiring Diagram! Retro dresses dresses at bernard baril blog